
臥式手搖刷式過濾器是(shi)一(yi)種水(shui)平安裝(zhuang)在(zai)管線(xian)上(shang),把水(shui)流中(zhong)(zhong)的(de)(de)鐵銹、沙粒、碎屑、懸浮顆(ke)粒或其(qi)他混合物(wu)等從水(shui)中(zhong)(zhong)分離出(chu)來,并通過搖(yao)動(dong)搖(yao)柄帶(dai)動(dong)內置轉軸和清洗(xi)刷旋轉的(de)(de)方式,實現在(zai)線(xian)不停(ting)機去除濾(lv)網(wang)(wang)雜質的(de)(de)裝(zhuang)置,其(qi)轉動(dong)軸穿過側(ce)蓋(gai),其(qi)中(zhong)(zhong)位于(yu)蓋(gai)內側(ce)的(de)(de)一(yi)端(duan)設(she)有刷子,并緊貼在(zai)濾(lv)網(wang)(wang)上(shang),而(er)處于(yu)蓋(gai)外側(ce)的(de)(de)那一(yi)頭則(ze)安裝(zhuang)有手搖(yao)柄體,當進(jin)出(chu)口壓差達到(dao)相應值時,只需打開設(she)置在(zai)筒蓋(gai)上(shang)的(de)(de)排(pai)污球閥(fa),人(ren)工(gong)輕(qing)輕(qing)搖(yao)動(dong)手搖(yao)柄體數圈,直到(dao)排(pai)放口出(chu)水(shui)水(shui)質變(bian)清后(hou)即可停(ting)止清洗(xi)和排(pai)污工(gong)作。本產品不必拆(chai)卸濾(lv)筒清洗(xi)內部濾(lv)網(wang)(wang),可直接(jie)在(zai)管線(xian)上(shang)將濾(lv)網(wang)(wang)上(shang)的(de)(de)堵(du)塞物(wu)刷洗(xi)干凈,不需要停(ting)機或啟(qi)動(dong)備(bei)用流程系統,不間斷(duan)供(gong)水(shui),保障(zhang)過濾(lv)后(hou)的(de)(de)水(shui)質、水(shui)量(liang),方便(bian)快捷,大大減輕(qing)了(le)工(gong)人(ren)的(de)(de)勞動(dong)強度。
| 序號 | 部件名稱 | 材料名稱 | |||||
| 1 | 殼 體 | Q235B | 20# | S30408 | S30403 | S31608 | S31603 |
| 2 | 法 蘭 | Q235B | Q235B | S30408 | S30403 | S31608 | S31603 |
| 3 | 濾 網 | 304 | 304 | 304 | 304L | 316 | 316L |
| 4 | 清 洗 刷 | 硬質塑料纖維、豬鬃毛、骨質尼龍、不銹鋼絲 | |||||
| 5 | 轉 動 軸 | Q235B | Q235B | S30408 | S30403 | S31608 | S31603 |
| 6 | 側 蓋 | Q235B | Q235B | S30408 | S30403 | S31608 | S31603 |
| 7 | 排 污 閥 | CF8 | CF8 | CF8 | CF3 | CF8M | CF3M |
| 公稱壓力PN(MPa) | 0.25 | 0.6 | 1.0 | 1.6 | 2.0 | 2.5 |
| 強度試驗壓力(MPa) | 0.375 | 0.9 | 1.5 | 2.4 | 3.0 | 3.75 |
| 密封性能試驗壓力(MPa) | 0.275 | 0.66 | 1.1 | 1.76 | 2.2 | 2.75 |
| 設計制造 | JB/T 7538-2016、SH/T 3411-2017、GB/T 26114-2010 | |||||
| 法蘭標準 | JB/T 81、GB/T 9119、HG/T 20592、HG/T 20615、SH/T 3406、ASME B16.5等 | |||||
| 檢驗試驗 | JB/T 7538-2016、SH/T 3411-2017、GB/T 26114-2010 | |||||
| 濾網目數 | 5目 ~ 150目 | |||||
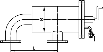
| 公稱壓力 PN | 公稱通徑 DN | 結構尺寸/mm | 公稱壓力 PN | 公稱通徑 DN | 結構尺寸/mm | ||
| ? | L | ? | L | ||||
| 10 | 50 | 159 | 500 | 10 | 150 | 325 | 600 |
| 65 | 159 | 500 | 200 | 377 | 700 | ||
| 80 | 159 | 600 | 250 | 426 | 700 | ||
| 100 | 219 | 600 | 300 | 426 | 1000 | ||
| 125 | 273 | 600 | 350 | 457 | 1000 | ||
| 以上尺寸僅供參考,表中未列出的其他規格參數,請咨詢汗越閥門技術部! | |||||||

上一條:鑄鋼手搖刷式Y型過濾器
下一條:手搖刷式過濾器
