
Y型三通球閥是一種(zhong)閥(fa)體(ti)進(jin)管(guan)(guan)口(kou)與(yu)(yu)兩(liang)出管(guan)(guan)口(kou)之(zhi)間被(bei)設計成(cheng)135°的(de)(de)夾角(jiao)(jiao),球體(ti)內設有(you)兩(liang)端開口(kou)成(cheng)135°角(jiao)(jiao)的(de)(de)連(lian)接(jie)通(tong)道(dao),進(jin)管(guan)(guan)口(kou)與(yu)(yu)出管(guan)(guan)口(kou)隨(sui)著球體(ti)的(de)(de)轉動實現與(yu)(yu)連(lian)接(jie)通(tong)道(dao)的(de)(de)導通(tong)或(huo)關閉,以達到對二種(zhong)不(bu)同流(liu)(liu)向(xiang)切換(huan)的(de)(de)閥(fa)門,其(qi)流(liu)(liu)道(dao)平坦,流(liu)(liu)體(ti)阻(zu)力(li)小,流(liu)(liu)通(tong)能力(li)強,切換(huan)時不(bu)會使(shi)介質(zhi)滯留在流(liu)(liu)道(dao)內部,便于(yu)三(san)通(tong)管(guan)(guan)道(dao)的(de)(de)清理(li)。本產(chan)品主要用(yong)于(yu)Y型管(guan)(guan)路(lu)中(zhong)改變介質(zhi)流(liu)(liu)動方向(xiang),使(shi)其(qi)中(zhong)的(de)(de)兩(liang)條相(xiang)互連(lian)通(tong)或(huo)切斷(duan),起換(huan)向(xiang)的(de)(de)作用(yong)。
Y型三(san)(san)通(tong)球閥(fa)在閥(fa)體(ti)三(san)(san)個管(guan)口連(lian)接(jie)處設置有(you)三(san)(san)個彎頭(tou)保護(hu)部,當介質(zhi)從進(jin)口端沿彎頭(tou)管(guan)路通(tong)道高速流(liu)入時(shi),其首先沖(chong)擊流(liu)進(jin)彎頭(tou)保護(hu)部內(nei),相比(bi)于(yu)直(zhi)接(jie)沖(chong)進(jin)管(guan)口內(nei)而言,減(jian)緩(huan)了流(liu)體(ti)直(zhi)接(jie)沖(chong)擊在閥(fa)體(ti)內(nei)壁上的(de)流(liu)動速度,降低了對顆粒狀物料造成的(de)損壞,進(jin)而也對閥(fa)體(ti)內(nei)壁起到(dao)保護(hu)的(de)作用,有(you)助于(yu)延(yan)長閥(fa)門的(de)使用時(shi)間。本產品(pin)也可根據輸送(song)管(guan)線需要,將閥(fa)體(ti)設計成三(san)(san)管(guan)口互成120°角或(huo)兩出口之間夾角成60°或(huo)90°。
| 序號 | 部件名稱 | 材料名稱 | ||||
| 1 | 閥 體 | ASTM A216 WCB | ASTM A351 CF8 | ASTM A351 CF3 | ASTM A351 CF8M | ASTM A351 CF3M |
| 2 | 彎 頭 | ASTM A216 WCB | ASTM A351 CF8 | ASTM A351 CF3 | ASTM A351 CF8M | ASTM A351 CF3M |
| 3 | 閥 座 | R-PTFE、PTFE、TEFLON、NYLON、PPL、PEEK、DEVLON、SST+HF | ||||
| 4 | 球 桿 | ASTM A351 CF8 | ASTM A351 CF8 | ASTM A351 CF3 | ASTM A351 CF8M | ASTM A351 CF3M |
| 5 | 閥 蓋 | ASTM A216 WCB | ASTM A351 CF8 | ASTM A351 CF3 | ASTM A351 CF8M | ASTM A351 CF3M |
| 6 | 填 料 | GRAPHITE、R-PTFE、PTFE、TEFLON、PCTFE | ||||
| 7 | 填料壓蓋 | ASTM A216 WCB | ASTM A351 CF8 | ASTM A351 CF3 | ASTM A351 CF8M | ASTM A351 CF3M |
| 8 | 下 端 蓋 | ASTM A216 WCB | ASTM A351 CF8 | ASTM A351 CF3 | ASTM A351 CF8M | ASTM A351 CF3M |
| 公稱壓力Class | 150 | 300 | 600 | 900 | 1500 |
| 殼體試驗壓力(MPa) | 3.0 | 7.5 | 16.5 | 22.5 | 39.2 |
| 高壓液體密封試驗壓力(MPa) | 2.2 | 5.5 | 12.1 | 16.5 | 28.6 |
| 低壓氣體密封試驗壓力(MPa) | 0.4~0.7 | 0.4~0.7 | 0.4~0.7 | 0.4~0.7 | 0.4~0.7 |
| 設計制造 | GB/T 12237、GB/T 21385、API 608、ASME B16.34 | ||||
| 結構長度 | 按本廠標準Q/CB的規定或按訂貨合同要求 | ||||
| 連接法蘭 | JB/T 79、GB/T 9113、HG/T 20592、HG/T 20615、SH/T 3406、ASME B16.5等 | ||||
| 檢驗試驗 | GB/T 26480、JB/T 9092、API 598 | ||||
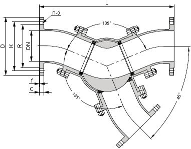
| 公稱壓力 Class | 公稱尺寸 NPS | 外形及連接尺寸/mm | |||||
| L | D | K | R | C-f | n-d | ||
| 150 (PN20) | 1 ? | 310 | 125 | 98.4 | 73.0 | 15.9-1.6 | 4-?16 |
| 2 | 340 | 150 | 120.7 | 92.1 | 17.5-1.6 | 4-?19 | |
| 2 ? | 400 | 180 | 139.7 | 104.8 | 20.7-1.6 | 4-?19 | |
| 3 | 410 | 190 | 152.4 | 127.0 | 22.3-1.6 | 4-?19 | |
| 4 | 460 | 230 | 190.5 | 157.2 | 22.3-1.6 | 8-?19 | |
| 5 | 560 | 255 | 215.9 | 185.7 | 22.3-1.6 | 8-?22.5 | |
| 6 | 660 | 280 | 241.3 | 215.9 | 23.9-1.6 | 8-?22.5 | |
| 8 | 800 | 345 | 298.5 | 269.9 | 27.0-1.6 | 8-?22.5 | |
| 10 | 1030 | 405 | 362.0 | 323.8 | 28.6-1.6 | 12-?25.5 | |
| 12 | 1140 | 485 | 431.8 | 381.0 | 30.2-1.6 | 12-?25.5 | |
| 14 | 1257 | 535 | 476.3 | 412.8 | 33.4-1.6 | 12-?28.5 | |
| 表中未列出的其他規格尺寸,請咨詢汗越閥門技術部! | |||||||

如果你需訂購我廠三通球閥系(xi)列產品(pin),咨詢時煩請(qing)注明規格型號,或說(shuo)明公(gong)稱尺寸、公(gong)稱壓力(li)、閥體和內件材(cai)質、使(shi)用介(jie)質、工作溫度(du)、分歧(qi)角度(du)(30°、45°、60°、90°、120°等)、法蘭標準及驅動方式等。本產品(pin)有軟(ruan)密封和硬密封兩種(zhong)。
